Skocz do zawartości

Rekomendowane odpowiedzi

Witam,

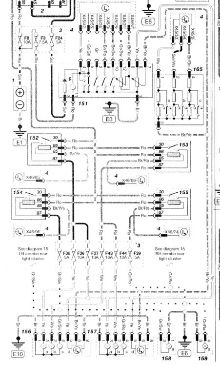
Posiadam opla corse c 1.7 dti i mam problem z nie palącym się światłem mijania w prawej lampie, sprawdziłem bezpiecznik nr 37 jest dobry. Znalazłem też schemat instalacji elektrycznej przednich lamp, załączam go do postu. Na schemacie prawa lampa to nr 157 a lewa to 156. Według niego przewód zasilający światło mijania prawej lampy dochodzi jeszcze w  inne miejsca, jako zasilanie do obu silniczków od sterowania wysokością świateł  i do włącznika świateł oznaczonego jako nr 151, sprawdziłem napięcie (przy włączonych światłach mijania) na przewodach  w gniazdach od lamp i okazało się, że na przewodach w obu lampach zasilających silniczki jest idealne napięcie ok 14 V, natomiast na przewodzie od światła mijania w prawej lampie jest około 12,5 V i żarówka nie świeci, jak natomiast podłącze żarówkę na krótko do przewodu zasilającego silniczek to żarówka świeci. Więc zacząłem szukać miejsca połączenia tych 4 przewodów z przewodem idącym od bezpiecznika f37, wyciągnąłem skrzynkę bezpieczników i się okazało, że od gniazda bezpiecznika f37 idzie tylko jeden przewód, i nie mam zielonego pojęcia gdzie następuje jego rozgałęzienie. Czy ktoś wie gdzie się znajduje?bg159.thumb.png.a146fe851a4c15d5ed812ec31e343676.png

Edytowane przez swiru121

 

Odnośnik do komentarza
https://forum.opel24.com/topic/85765-prawe-%C5%9Bwiat%C5%82o-mijania-nie-%C5%9Bwieci/
Udostępnij na innych stronach

Łączenie może być wewnątrz wiązki. Włóż żarówkę włącz światła i ruszaj wiązkami może ujawni się miejsce awarii.

Jak nie to możesz rozciąć oploty i szukać łączenia. W ostateczności zrobić mostek między żarówką a regulacją wysokości.

 

Odnośnik do komentarza
https://forum.opel24.com/topic/85765-prawe-%C5%9Bwiat%C5%82o-mijania-nie-%C5%9Bwieci/#findComment-703578
Udostępnij na innych stronach

Tak myślałem wlaśnie żeby zrobić ten mostek, tylko gorzej jak tamten przewód  od świateł mijania będzie miał lekkie zwarcie z masą i będzie jakiś lekki prąd płynał bez potrzeby, dlatego wolałbym znaleźć miejsce tego rozgałęzienia. A może te rozgałęzienie jest zrobione zaraz przy wyłączniku, bo szczerze nie spoktałem się jeszcze z tym żeby było fabryczne łączenie w środku wiązki.

 

 

Odnośnik do komentarza
https://forum.opel24.com/topic/85765-prawe-%C5%9Bwiat%C5%82o-mijania-nie-%C5%9Bwieci/#findComment-703581
Udostępnij na innych stronach

Dołącz do dyskusji

Możesz dodać zawartość już teraz a zarejestrować się później. Jeśli posiadasz już konto, zaloguj się aby dodać zawartość za jego pomocą.

Gość
Dodaj odpowiedź do tematu...

×   Wklejono zawartość z formatowaniem.   Usuń formatowanie

  Dozwolonych jest tylko 75 emoji.

×   Odnośnik został automatycznie osadzony.   Przywróć wyświetlanie jako odnośnik

×   Przywrócono poprzednią zawartość.   Wyczyść edytor

×   Nie możesz bezpośrednio wkleić grafiki. Dodaj lub załącz grafiki z adresu URL.

×
×
  • Dodaj nową pozycję...

Powiadomienie o plikach cookie

Umieściliśmy na Twoim urządzeniu pliki cookie, aby pomóc Ci usprawnić przeglądanie strony. Możesz dostosować ustawienia plików cookie, w przeciwnym wypadku zakładamy, że wyrażasz na to zgodę. Polityka prywatności