Gość independiente Opublikowano 16 Listopada 2021 Udostępnij Opublikowano 16 Listopada 2021 Wita, mam taki mały problem . Po przekręceniu stacyjki rozrusznik nie kręci , słychać tylko takie dziwne cykanie. Rozrusznik został naprawiony i sprawdzony. Sprawdzany działa na krótko. . Po podłączeniu do auta i przekręceniu stacyjki nadal rozrusznik nie kręci i słychać takie dziwne cykanie.Proszę o pomoc. astra h silnik z16xer . Pozdrawiam   Cytuj Odnośnik do komentarza https://forum.opel24.com/topic/93644-rozrusznik-nie-dzia%C5%82a/ Udostępnij na innych stronach Więcej opcji udostępniania...
Marcin 83 Opublikowano 16 Listopada 2021 Udostępnij Opublikowano 16 Listopada 2021 Akumulator w jakim stanie ?   Cytuj Odnośnik do komentarza https://forum.opel24.com/topic/93644-rozrusznik-nie-dzia%C5%82a/#findComment-742341 Udostępnij na innych stronach Więcej opcji udostępniania...
Gość independiente Opublikowano 16 Listopada 2021 Udostępnij Opublikowano 16 Listopada 2021 49 minut temu, Marcin 83 napisał: Akumulator w jakim stanie ? Rozrusznik odpala na krótko z akumulatora z auta gdzie jest zamontowany   Cytuj Odnośnik do komentarza https://forum.opel24.com/topic/93644-rozrusznik-nie-dzia%C5%82a/#findComment-742343 Udostępnij na innych stronach Więcej opcji udostępniania...
Marcin 83 Opublikowano 16 Listopada 2021 Udostępnij Opublikowano 16 Listopada 2021 Stojan i wirnik był sprawdzony przy naprawie ?   Cytuj Odnośnik do komentarza https://forum.opel24.com/topic/93644-rozrusznik-nie-dzia%C5%82a/#findComment-742344 Udostępnij na innych stronach Więcej opcji udostępniania...
Gość independiente Opublikowano 16 Listopada 2021 Udostępnij Opublikowano 16 Listopada 2021 2 minuty temu, Marcin 83 napisał: Stojan i wirnik był sprawdzony przy naprawie ? Tak nie pali ze stacyjki tylko cyka a na krótko auto odpala   Cytuj Odnośnik do komentarza https://forum.opel24.com/topic/93644-rozrusznik-nie-dzia%C5%82a/#findComment-742345 Udostępnij na innych stronach Więcej opcji udostępniania...
Marcin 83 Opublikowano 16 Listopada 2021 Udostępnij Opublikowano 16 Listopada 2021 Zostaje sprawdzić przekaźnik rozrusznika. R9 (zakładając że naprawa została wykonana poprawnie , i wszystko podłączone jak należy )   Cytuj Odnośnik do komentarza https://forum.opel24.com/topic/93644-rozrusznik-nie-dzia%C5%82a/#findComment-742346 Udostępnij na innych stronach Więcej opcji udostępniania...
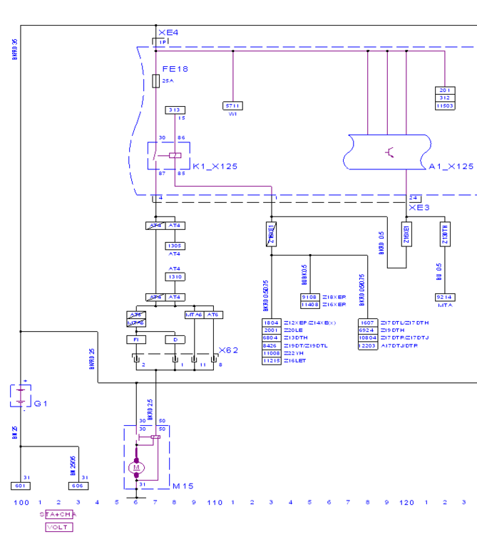
bogoes Opublikowano 16 Listopada 2021 Udostępnij Opublikowano 16 Listopada 2021 Jeżeli masz pojęcie o elektryce, to ściągnij sobie TIS2000 i tam masz schematy elektryczne z odnośnika... tu masz przykładowe dla Twojego auta schematy (1.cały schemat ogólny obwodu rozrusznika, 2.położenie przekaźnika rozrusznika, 3.widok wtyku X62-sterowanie załączeniem rozrusznika i opis pinów we wtyczce X62)... żeby dokładnie rozgryźć wszystkie możliwe przyczyny usterki, to trzeba sporo po tym schemacie polatać, posprawdzać kablotekę, także masę, którą przekaźnik jest sterowany z modułu sterującego silnika. Choć myślę, że jak Ci cyka przekaźnik, to pewnie ten przekaźnik K1_X125 działa, także przyczyny szukałbym od bezpiecznika F18, styk prądowy przekaźnika K1_X125, poprzez złącze X62, do samego bendiksu... Jeżeli uruchamiałeś podając napięcie na bendiks i działał rozrusznik, to może coś w tym wtyku X62 nie łączy, szukaj tam, gdzie było rozłączane. Tyle moich sugestii z oglądania schematu sterowania rozrusznikiem.   Cytuj Odnośnik do komentarza https://forum.opel24.com/topic/93644-rozrusznik-nie-dzia%C5%82a/#findComment-742348 Udostępnij na innych stronach Więcej opcji udostępniania...
Gość independiente Opublikowano 16 Listopada 2021 Udostępnij Opublikowano 16 Listopada 2021 5 godzin temu, Marcin 83 napisał: Zostaje sprawdzić przekaźnik rozrusznika. R9 (zakładając że naprawa została wykonana poprawnie , i wszystko podłączone jak należy ) Przekaźnik R9 działa poprawnie   Cytuj Odnośnik do komentarza https://forum.opel24.com/topic/93644-rozrusznik-nie-dzia%C5%82a/#findComment-742377 Udostępnij na innych stronach Więcej opcji udostępniania...
Marcin 83 Opublikowano 16 Listopada 2021 Udostępnij Opublikowano 16 Listopada 2021 No to jeśli wyżej wymienione elementy działają poprawnie to tak jak koledzy pisali, prześledzić wszystkie połączenia, cudów nie ma , naturalnie nadal zakładamy że naprawa rozrusznika przebiegła prawidłowo.   Cytuj Odnośnik do komentarza https://forum.opel24.com/topic/93644-rozrusznik-nie-dzia%C5%82a/#findComment-742378 Udostępnij na innych stronach Więcej opcji udostępniania...
Gość independiente Opublikowano 17 Listopada 2021 Udostępnij Opublikowano 17 Listopada 2021 7 godzin temu, Marcin 83 napisał: No to jeśli wyżej wymienione elementy działają poprawnie to tak jak koledzy pisali, prześledzić wszystkie połączenia, cudów nie ma , naturalnie nadal zakładamy że naprawa rozrusznika przebiegła prawidłowo. No tak bo na krótko pali a z kluczyka cyka Cytuj Odnośnik do komentarza https://forum.opel24.com/topic/93644-rozrusznik-nie-dzia%C5%82a/#findComment-742381 Udostępnij na innych stronach Więcej opcji udostępniania...
Rekomendowane odpowiedzi
Dołącz do dyskusji
Możesz dodać zawartość już teraz a zarejestrować się później. Jeśli posiadasz już konto, zaloguj się aby dodać zawartość za jego pomocą.