Mery 11 Opublikowano 21 Grudnia 2022 Udostępnij Opublikowano 21 Grudnia 2022 (edytowane) Witam. Mam takie pytanie. Czy można zastosować moduł komfortu na inny. Mianowicie, Obecnie jest w Merivie moduł YF 13 111 111 z silnikiem 1, 6 100 konnym rocznik 2005.chciałbym zamienić na moduł o oznaczeniach BB 13247 085 z takim samym silnikiem z roku 2006. Pytam się, dlatego że ten YF ma mocno okrojone funkcje, a parę rzeczy chciałbym dołożyć. Jeszcze nie wiem, jakie funkcje posiada ten BB. Pierwsze to chciałbym wiedzieć, czy można takie coś zrobić bez żadnych ubocznych skutków. W zapie sprawdziłem, że obydwa były stosowane w tych Modelach, jak również w Corsach C0 Edytowane 21 Grudnia 2022 przez Mery 11 zmiana tytułu   Cytuj Odnośnik do komentarza https://forum.opel24.com/topic/96053-zamiana-modu%C5%82u-komfortu/ Udostępnij na innych stronach Więcej opcji udostępniania...
peplunio Opublikowano 21 Grudnia 2022 Udostępnij Opublikowano 21 Grudnia 2022 A co jeszcze chciałbyś dołożyć z funkcji, których nie ma YF?   Cytuj Odnośnik do komentarza https://forum.opel24.com/topic/96053-zamiana-modu%C5%82u-komfortu/#findComment-769623 Udostępnij na innych stronach Więcej opcji udostępniania...
Mery 11 Opublikowano 21 Grudnia 2022 Autor Udostępnij Opublikowano 21 Grudnia 2022 Elektryczne ogrzewanie i otwieranie na mikrostyk. Mam wszystko, lecz nie ma tego w module.Poza tym jakoś muszę rozwiązać pokazywanie ciśnienia w oponkach.   Cytuj Odnośnik do komentarza https://forum.opel24.com/topic/96053-zamiana-modu%C5%82u-komfortu/#findComment-769624 Udostępnij na innych stronach Więcej opcji udostępniania...
peplunio Opublikowano 23 Grudnia 2022 Udostępnij Opublikowano 23 Grudnia 2022 W BB te funkcje powinny być. Jak sobie zalogujesz BCM do auta to zadziała. Najwięcej roboty będzie przy instalacji elektrycznej, bo takowej u Ciebie zapewne nie ma. Piszesz, że masz wszystkie graty, więc montuj jak masz czas i chęci.   Cytuj Odnośnik do komentarza https://forum.opel24.com/topic/96053-zamiana-modu%C5%82u-komfortu/#findComment-769695 Udostępnij na innych stronach Więcej opcji udostępniania...
Mery 11 Opublikowano 23 Grudnia 2022 Autor Udostępnij Opublikowano 23 Grudnia 2022 Dzięki za odpowiedz. Graty mam nawet podłączałem na pajęczynę. Ale mikro styk nie działał. Co do nagrzewnicy elektrycznej QUICKHEAT, bo tak to się nazywa, bodajże to mam tylko nagrzewnicę, jeszcze nie wiem, czy potrzebny jest moduł. Ale idzie to ogarnąć. Roboty sporo ale, jakoś dam radę. Mam nadzieje.   Cytuj Odnośnik do komentarza https://forum.opel24.com/topic/96053-zamiana-modu%C5%82u-komfortu/#findComment-769696 Udostępnij na innych stronach Więcej opcji udostępniania...
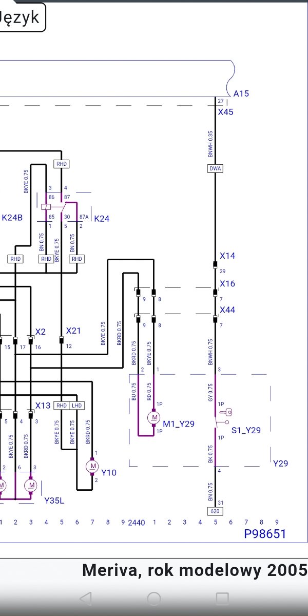
peplunio Opublikowano 23 Grudnia 2022 Udostępnij Opublikowano 23 Grudnia 2022 Co do microstyku w klapie to z tego co się orientuję, to do wtyczki pod tapicerką klapy(X44) powinny być doprowadzone kabelki. Od microstyku to kolor brązowo-biały. On idzie do BCM do pinu 27 złącza X45 BCM. Natomiast zasilanie siłownika klapy jest podpięte pod przewody od tylnego lewgo zamka. Jeżeli tak to połączysz, to klapa będzie sie zamykać i otwierać z pilota i mikrostyk też będzie działał. Jeżeli chodzi o system szybkiego grzania to ze schematu wymika, że steruje tym osobny moduł, ale do BCM też idzie od tego modułu kabelek niebiesko-biały, z pinu 95 złącza X46.   Cytuj Odnośnik do komentarza https://forum.opel24.com/topic/96053-zamiana-modu%C5%82u-komfortu/#findComment-769697 Udostępnij na innych stronach Więcej opcji udostępniania...
Mery 11 Opublikowano 23 Grudnia 2022 Autor Udostępnij Opublikowano 23 Grudnia 2022 Tak , dzieki . Ogarnolem to z tisem . SILNIK KLAPY CENTRALNEGO WYSIADL I DORWALEM CAly komplet do mikro styku . Jeszcze nie wiem , bo nie przegladalem sie nagrzewnicy . No i nie wim cze nie jest jeszcze potrzebny modul do niej   Cytuj Odnośnik do komentarza https://forum.opel24.com/topic/96053-zamiana-modu%C5%82u-komfortu/#findComment-769698 Udostępnij na innych stronach Więcej opcji udostępniania...
peplunio Opublikowano 23 Grudnia 2022 Udostępnij Opublikowano 23 Grudnia 2022 Tak. Potrzebny osobny moduł. On w oryginale jest umieszczany pod maską. Ale to już pewno wiesz. W TISie jest wszystko. Tu masz schemat zasilania osobnego modułu QUICKHEAT. https://www.kolhosniki.ru/tis2000&base=1070g&model=17&year=32&engine=82&dir=wd&ParentID=48&InfoTypeID=1&FileName=P9879_ENU.htm Powodzenia.   Cytuj Odnośnik do komentarza https://forum.opel24.com/topic/96053-zamiana-modu%C5%82u-komfortu/#findComment-769699 Udostępnij na innych stronach Więcej opcji udostępniania...
Rekomendowane odpowiedzi
Dołącz do dyskusji
Możesz dodać zawartość już teraz a zarejestrować się później. Jeśli posiadasz już konto, zaloguj się aby dodać zawartość za jego pomocą.