Skocz do zawartości

Rekomendowane odpowiedzi

Witam :

CORSA D 1,2 LPG / Benzyna 2014r listopad

W dniu dzisiejszym zauważyłem że żarówka w lampie nie siweci z lewej strony

Wymieniłem żarówkę ( 2 włóknowa ) i nie dało to rezultatu 

Mam pytanie czy w obwodzie świateł do jazdy dziennej jest bezpiecznik ?

światła są fabryczne w lampie ( światło 2 włóknowe jedno do jazdy dziennej zapalane po uruchomieniu pojazdu a drugie włókno postojowe po włączeniu włącznika od świateł- ono świeci )

Czy orientuje się ktoś z forumowiczów gdzie szukać przyczyny czy w skrzynce z bezpiecznikami czy coś w lampie ?

 

 

 

Odnośnik do komentarza
https://forum.opel24.com/topic/86599-%C5%9Bwiat%C5%82a-jazdy-dziennej-lewe-nie-%C5%9Bwieci/
Udostępnij na innych stronach

Wystarczy trochę pogrzebać, masz tu schemat bezpieczników już od 170str. jest to instrukcja obsługi ze strony Opla. Przed bezpiecznikami jest opisane jak wymieniać poszczególne żarówki. Zazwyczaj jak jakiś osprzęt elektryczny nie działa, warto zajrzeć do odpowiedniego bezpiecznika. To jest jeszcze darmowa opcja, później tylko po kablach i diagnoza komputerem.

 

https://dixi-car.pl/doc/instrukcje/Instrukcja-Opel-Corsa-D.pdf 

 

Ewentualnie pomocne rady w innym temacie,  nie ma tu różnicy czy to inny model postępowanie te same: 

 

Edytowane przez WariatPSM

 

Odnośnik do komentarza
https://forum.opel24.com/topic/86599-%C5%9Bwiat%C5%82a-jazdy-dziennej-lewe-nie-%C5%9Bwieci/#findComment-707462
Udostępnij na innych stronach

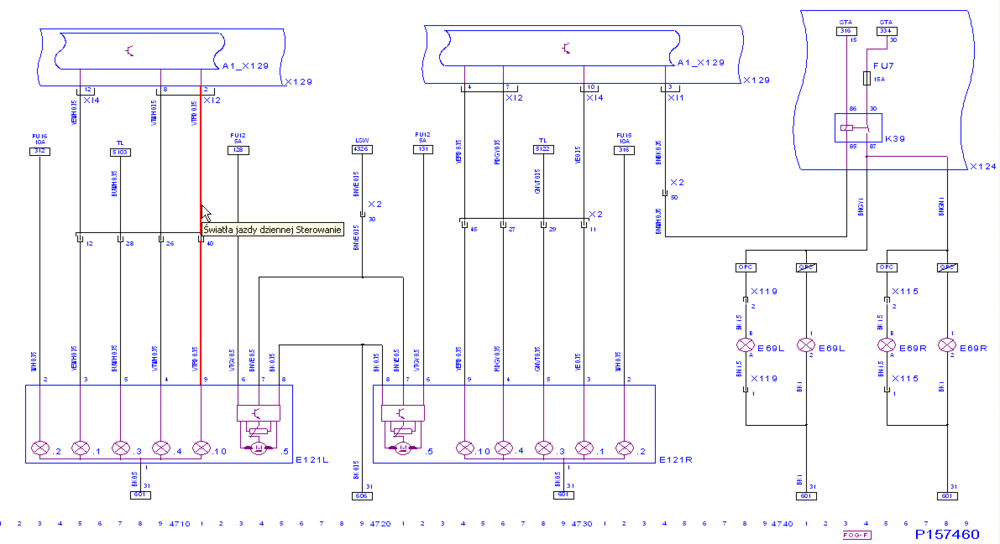
Masz trochę danych do schematu z 2011 corsy D 1.2 (w TISie), ale myślę, że przy oświetleniu wiele się nie zmieniło, sprawdź, czy na lampę (gniazdo przychodzi napięcie +12, bo masę masz (skoro świeci postojówka), później sprawdź napięcie w złączu lampy (PIN nr10), jakby nie było, to następnie złącze X2 (PIN nr40) lokalizacja przy nadkolu lewym, dalej złącze XI2 (PIN nr2) w kabinie pod bezpiecznikami, a właściwie to zacznij od tej strony, bo jak nie będzie napięcia w tym złączu, to dalej nie masz co sprawdzać... na wszelki wypadek najpierw sprawdź na krótko samą żarówkę, bo może trafiłeś na wadliwą:laugh:... 

1648508431_7322019-06-0318_33.thumb.png.03cd441c163ac4b6b0a16ac871a133c0.pngschemat oświetlenia zewnętrznego

476721138_7272019-06-0318_25.thumb.png.8ca46955fc0ae24d93a4415d65d77d1b.pnglokalizacja złącza XI2

1458834092_7282019-06-0318_29.thumb.png.3205002bfadbfd70502e418fedb4bd7e.pngzłącz XI2

967807474_7302019-06-0318_31.thumb.png.c9e360e66b0e61e82fecb17b745a82f4.pngzłącze X2

1170755946_7292019-06-0318_29.thumb.png.6191487504952e0c15dcd3851fede146.pnglokalizacja X2

84044753_7312019-06-0318_32.thumb.png.d397ab460e1ce29cc3a67045ce55075f.pngzłącze reflektora

mam nadzieję, że w Twojej corsinie jest tak samo, a tak na marginesie, uzupełnij profil, skąd jesteś, jaki silnik (pełna nazwa kodowa), itp....

Edytowane przez bogoes
poprawka błędu

 

Odnośnik do komentarza
https://forum.opel24.com/topic/86599-%C5%9Bwiat%C5%82a-jazdy-dziennej-lewe-nie-%C5%9Bwieci/#findComment-707467
Udostępnij na innych stronach

1 godzinę temu, WariatPSM napisał:

Wystarczy trochę pogrzebać, masz tu schemat bezpieczników już od 170str.

 

Uważasz ze nie sprawdziłem w książce ?

Tu nie jest problem świateł mijania bo wszystkie światła świeca 

Nie swieci w lampie światło do jazdy dziennej które zrobione jest na żarówce postsojowej tylko ze zamiast lednowłoknowej zastosowano dwuwłóknowa i z tego jedno włókno zapala sie po uruchomieniu  pojazdu ( przekręcenie zapłonu nic nie włącza tylko uruchomienie )w innych przypadkach nie swieci to włókno

 Pozostałe światła normalnie działają od postojowych po mijania i długie 

Problem według mnie jest albo w elektryce albo w samej lampie 

żarówka wsadzana jest do lampy z oprawką i nie ma jak pomierzyc napiecia na lampie musiałbym ja demontować żeby w ogóle dobrać sie do kabli doprowadzających napiecia do lampy 

Dzwoniłem do serwisu i stwierdzili że żadnego bezpiecznika nie ma od tych świateł problem musi leżeć w elektryce ( lub samej lampie

 

 

 

 

 

 

Naucz się cytować.

Poprawiłem aby się dało czytać.

Następny taki post poleci w kosz.

 

Odnośnik do komentarza
https://forum.opel24.com/topic/86599-%C5%9Bwiat%C5%82a-jazdy-dziennej-lewe-nie-%C5%9Bwieci/#findComment-707468
Udostępnij na innych stronach

2 godziny temu, Piotr G napisał:

...Dzwoniłem do serwisu i stwierdzili że żadnego bezpiecznika nie ma od tych świateł problem musi leżeć w elektryce ( lub samej lampie

Dlatego podałem Ci schemat, na którym widać przez jakie złącza idzie napięcie do żarówki z dokładnym podaniem numerów w złączach, pozostaje sprawdzić Ci ciągłość przewodu od modułu X129 do złącza lampy (omomierzem lub dzwonkiem na wyłączonym aucie- musi być 0 om, lub dzwonić przejściówka) i czy jest napięcie na wyjściu z modułu lampy pin nr2 w złączu XI2 (to już na włączonych światłach dziennych... jeżeli po włączeniu dziennych nie będzie tam napięcia, to pewnie bez elektryka samochodowego  się nie obędzie. A na schemacie masz wszystko włącznie z kolorami przewodów, ten jest akurat fioletowo-czerwony... jeżeli nie masz dojścia do pinu złącza można delikatnie nakłuć przewód (szpilką) i sprawdzić napięcie (oczywiście przy włączonych dziennych). Jak nie jesteś elektrykiem, to poszukaj znajomego elektryka, ciągłość i napięcie sprawdzi każdy elektryk, niekoniecznie samochodowy.
A jeżeli napięcie będzie wychodziło z modułu i będzie ciągłość przewodu, czyli napięcie będzie na pinie 10 złącza lampy, to zostaje szukanie przerwy w samej lampie (zgodnie z sugestiami serwisu), bo rozumiem, że samą żarówkę sprawdziłeś;)

Edytowane przez bogoes

 

Odnośnik do komentarza
https://forum.opel24.com/topic/86599-%C5%9Bwiat%C5%82a-jazdy-dziennej-lewe-nie-%C5%9Bwieci/#findComment-707474
Udostępnij na innych stronach

  • 4 tygodnie później...

Dołącz do dyskusji

Możesz dodać zawartość już teraz a zarejestrować się później. Jeśli posiadasz już konto, zaloguj się aby dodać zawartość za jego pomocą.

Gość
Dodaj odpowiedź do tematu...

×   Wklejono zawartość z formatowaniem.   Usuń formatowanie

  Dozwolonych jest tylko 75 emoji.

×   Odnośnik został automatycznie osadzony.   Przywróć wyświetlanie jako odnośnik

×   Przywrócono poprzednią zawartość.   Wyczyść edytor

×   Nie możesz bezpośrednio wkleić grafiki. Dodaj lub załącz grafiki z adresu URL.

×
×
  • Dodaj nową pozycję...

Powiadomienie o plikach cookie

Umieściliśmy na Twoim urządzeniu pliki cookie, aby pomóc Ci usprawnić przeglądanie strony. Możesz dostosować ustawienia plików cookie, w przeciwnym wypadku zakładamy, że wyrażasz na to zgodę. Polityka prywatności