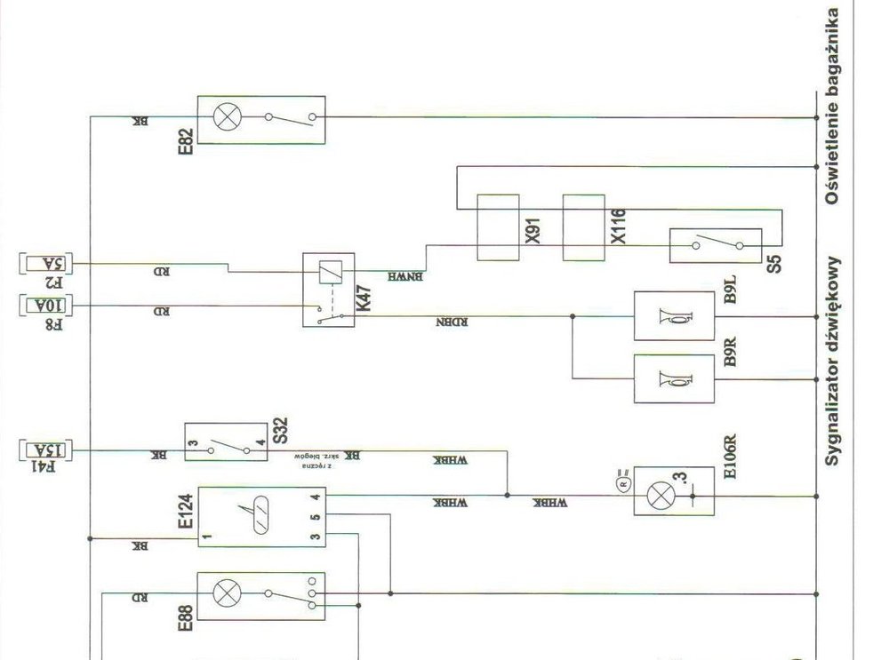
wiązka kierownicy - klakson
-
Podobna zawartość
-
- 1 odpowiedź
- 423 wyświetleń
-
Opel Zafira A - Alarm podłączony pod klakson 1 2 3
Przez Gość Ikarus260,
- Zafira
- Opel Zafira
- (i 2 więcej)
- 21 odpowiedzi
- 7 122 wyświetleń
-
- 2 odpowiedzi
- 2 080 wyświetleń
-

Rekomendowane odpowiedzi
Dołącz do dyskusji
Możesz dodać zawartość już teraz a zarejestrować się później. Jeśli posiadasz już konto, zaloguj się aby dodać zawartość za jego pomocą.