Gość kuba_kubi Opublikowano 27 Maja 2019 Udostępnij Opublikowano 27 Maja 2019 (edytowane) Witam, Auto jest od wczoraj powiedzmy ze mną i mam kilka drobnych problemów z nim które chcę ogarnąć powoli jeden za drugim więc tu jak w temacie. Ramiona wycieraczek uruchamiają się ok, bezpieczniki sprawdzone i wymienione na nowe co jeszcze można sprawdzić ?? Nie słychać uruchamiana pompki przy zbiorniczku w załączeniu foto jak to wygląda. Edytowane 27 Maja 2019 przez kuba_kubi   Cytuj Odnośnik do komentarza https://forum.opel24.com/topic/86549-brak-spryskiwaczy/ Udostępnij na innych stronach Więcej opcji udostępniania...
Gość Kuba142 Opublikowano 27 Maja 2019 Udostępnij Opublikowano 27 Maja 2019 Sprawdź pompkę oraz kostkę do niej dochodzącą, może nie łączyć przy wtyczce.   Cytuj Odnośnik do komentarza https://forum.opel24.com/topic/86549-brak-spryskiwaczy/#findComment-707226 Udostępnij na innych stronach Więcej opcji udostępniania...
Gość kuba_kubi Opublikowano 27 Maja 2019 Udostępnij Opublikowano 27 Maja 2019 (edytowane) Kuba142 - raczej to bym wyeliminował ponieważ wymieniłem pompkę dziś na nową bez efektu, a trochę się naszarpałem nie powiem ... Edytowane 27 Maja 2019 przez kuba_kubi   Cytuj Odnośnik do komentarza https://forum.opel24.com/topic/86549-brak-spryskiwaczy/#findComment-707227 Udostępnij na innych stronach Więcej opcji udostępniania...
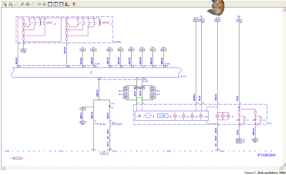
bogoes Opublikowano 27 Maja 2019 Udostępnij Opublikowano 27 Maja 2019 Wrzuciłem Ci schematy z opisami z TISu, sprawdź przekaźniki K70 i K74 od pompki spryskiwaczy (Y105): https://drive.google.com/open?id=1-lQAmifTsuLBaymZmSA4fxuVaGqdy6Ac . Widok przekaźników na ostatnim rysunku w folderze. Sprawdź też bezpieczniki F3 (sterowanie przekaźnikami-cewki) i F15 układ prądowy pompy spryskiwaczy. A po co wrzucasz odnośnik do jakiegoś dysku a nie wrzucasz na forum. Na forum zostanie na długi czas a dysk może zniknąć i zostanie następna pusta porada.   Cytuj Odnośnik do komentarza https://forum.opel24.com/topic/86549-brak-spryskiwaczy/#findComment-707233 Udostępnij na innych stronach Więcej opcji udostępniania...
Gość kuba_kubi Opublikowano 27 Maja 2019 Udostępnij Opublikowano 27 Maja 2019 6 minut temu, bogoes napisał: Tam Ci wrzuciłem schematy z opisami z TISu, sprawdź przekażniki K70 i K74 od pompki spryskiwaczy (Y105): https://drive.google.com/open?id=1-lQAmifTsuLBaymZmSA4fxuVaGqdy6Ac Super dzięki jutro może znajdę chwilę to rzucę okiem   Cytuj Odnośnik do komentarza https://forum.opel24.com/topic/86549-brak-spryskiwaczy/#findComment-707236 Udostępnij na innych stronach Więcej opcji udostępniania...
Gość kuba_kubi Opublikowano 20 Czerwca 2019 Udostępnij Opublikowano 20 Czerwca 2019 dziękuje za pomoc - problem rozwiązany i już spryskiwacze działają :)   Cytuj Odnośnik do komentarza https://forum.opel24.com/topic/86549-brak-spryskiwaczy/#findComment-707894 Udostępnij na innych stronach Więcej opcji udostępniania...
Gość Jacek miara Opublikowano 27 Listopada 2020 Udostępnij Opublikowano 27 Listopada 2020 Jak znaleźć przekaźniki K70 i K74 od pompki spryskiwaczy (Y105) czy są w jakis sposób oznaczone w skrzynce bezpieczników.   Cytuj Odnośnik do komentarza https://forum.opel24.com/topic/86549-brak-spryskiwaczy/#findComment-728042 Udostępnij na innych stronach Więcej opcji udostępniania...
adam1954 Opublikowano 27 Listopada 2020 Udostępnij Opublikowano 27 Listopada 2020 Przecież bogoes podał ci zdjęcie opisu w którym miejscu one powinny być.   Cytuj Odnośnik do komentarza https://forum.opel24.com/topic/86549-brak-spryskiwaczy/#findComment-728046 Udostępnij na innych stronach Więcej opcji udostępniania...
Gość Aaa Opublikowano 29 Października 2022 Udostępnij Opublikowano 29 Października 2022 W dniu 27.05.2019 o 19:50, kuba_kubi napisał: Kuba142 - raczej to bym wyeliminował ponieważ wymieniłem pompkę dziś na nową bez efektu, a trochę się naszarpałem nie powiem ... jak to Pan zrobił mam taki sam problem Jak pan rozwiązał problem mam taki sam wszystko dział tylko nie spryskiwacz   Cytuj Odnośnik do komentarza https://forum.opel24.com/topic/86549-brak-spryskiwaczy/#findComment-764974 Udostępnij na innych stronach Więcej opcji udostępniania...
ja37 Opublikowano 30 Października 2022 Udostępnij Opublikowano 30 Października 2022 Myślisz, że koleś tu jeszcze zagląda? Temat sprzed 2 lat jest. Myślę, że ty Aaa też tu już nie zajrzysz,więc nawet nie szukam schematów. Cytuj Odnośnik do komentarza https://forum.opel24.com/topic/86549-brak-spryskiwaczy/#findComment-764978 Udostępnij na innych stronach Więcej opcji udostępniania...
Rekomendowane odpowiedzi
Dołącz do dyskusji
Możesz dodać zawartość już teraz a zarejestrować się później. Jeśli posiadasz już konto, zaloguj się aby dodać zawartość za jego pomocą.